Wirewound-Potentiometer
DP120
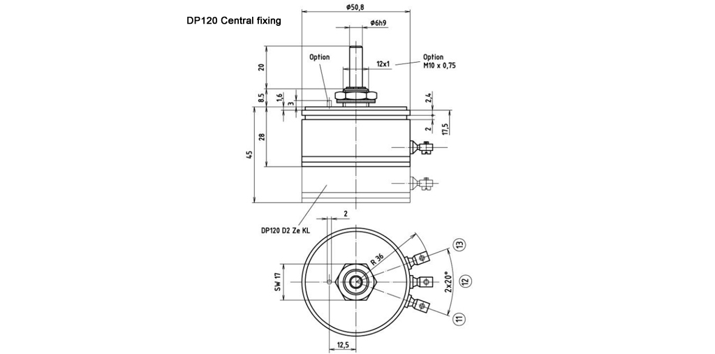
The wirewound precision potentiometer of this product line are particularly suitable as an actual value transmitter in all industrial branches. It is is extremely robust due to the high-quality aluminum housing. The standard ball or needle bearing shaft made of stainless steel easily absorbs radial and axial forces. The housing is available up to max. protection class IP67.
Technical Details
- Housing: Aluminium
- Shaft: Stainless steel
- Bearing types: Sliding bearing, needle bearing
- Slider tapping: Multiple tapping, Stainless steel
- Protection class: Up to max. IP67
- Connection types: Clamp connection, cable connection, sensor connector, customer specific connector
- Mounting types: Central fixing, synchro flange (size 20)
Options
- Multiple version
- Noble metal winding available
- Centre tap
- Central fixing: M10x0,75 possible
- Transmitter 0/4…20mA or 0…10VDC available
- Version with throughout shaft available
- Different resistance tolerances: ±1%
- Available with mechanical stop
Are you looking for individual solutions?
Please contact us.
Do you have any questions?
Telephone: +49 5221 34040
E-Mail: info@altmann-gmbh.de
Would you like to send us an enquiry?
