Leitplastik-Potentiometer
LPT18
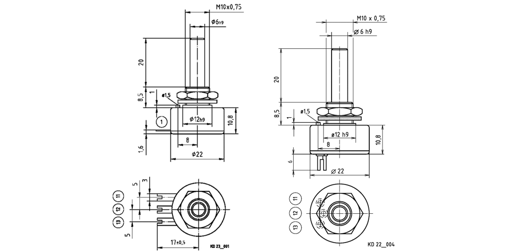
Die Leitplastik-Präzisionspotentiometer dieser Produktlinie eignen sich für den Einsatz in allen industriellen Bereichen. Das glasfaserverstärkte Kunststoffgehäuse bietet eine hohe Festigkeit und Wärmebeständigkeit. Es kann zusätzlich vergossen werden und erreicht somit die Schutzart bis max. IP67. Zusätzlich wird die Welle im Boden gelagert, um axialen Belastungen entgegenzuwirken. Das Potentiometer ist in zwei Anschlussausführungen lieferbar: seitliche oder am Boden befindliche Kontakte. Durch ein Übergehäuse kann die Serie LPT18 zu einem Schaltpotentiometer ergänzt werden.
Technische Daten
- Gehäuse: Glasfaserverstärkter Kunststoff
- Welle: Edelstahl
- Lagerart: Wartungsfreies Gleitlager
- Schutzart: Bis max. IP67
- Anschlussarten: Steckanschluss, Lötanschluss, Printanschluss, Litzen, Steckverbinder, kundenspezifische Anschlussart
- Befestigungsart: Zentralbefestigung
Optionen
- Wellendrehmoment bis 12 Ncm möglich
- Verschiedenste mechanische Wellenausführungen lieferbar
Suchen Sie individuelle Lösungen?
Dann kontaktieren Sie uns.
Haben Sie Fragen?
Telefon: +49 5221 34040
E-Mail: info@altmann-gmbh.de
Möchten Sie uns eine Anfrage senden?
